Снятие и установка головки цилиндров (4-цилиндровый)
Audi A4 B6. Силовой агрегат. Бензиновый двигатель
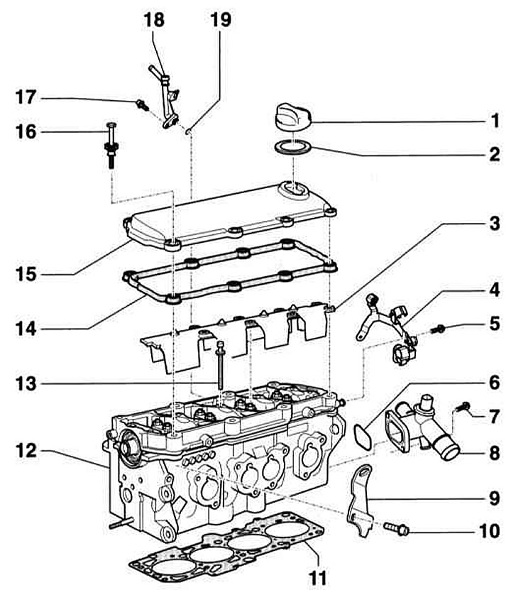
Головка цилиндров. Бензиновый двигатель 1.6 л ALZ

Общие указания
Обязательно замените болты крепления головки цилиндров, самостопорящиеся гайки, болты, затягиваемые динамометрическим ключом, а также уплотнительные кольца и прокладки.
Если устанавливается сменная головка цилиндров, то перед установкой крышки головки цилиндров необходимо смазать все контактные поверхности между опорными элементами, роликовыми рычагами и скользящими поверхностями кулачков распределительного вала.
Пластмассовые прокладки для защиты открытых клапанов разрешается удалять только перед установкой головки цилиндров.
Если головка цилиндров заменяется, то необходимо заменять охлаждающую жидкость.
Указания по снятию
1. Головка цилиндров снимается только на холодном двигателе (не выше температуры тела).
2. Снимите клиновой ремень и устройство натяжения.
3. Снимите зубчатый ремень, обратитесь к Разделу Снятие и установка зубчатого ремня.
4. Топливная система находится под давлением! Перед отсоединением шлангов закройте соединение толстой тряпкой. Затем, осторожно отворачивая шланг, снимите давление.
5. После вскрытия топливопроводов закройте отверстия, чтобы исключить попадание в топливную систему грязи.
6. Снимите впускной трубопровод.
7. При снятии приёмной трубы системы выпуска отработавших газов следите за тем, чтобы стыковочный элемент во выпускной трубе не был согнут более чем на 10°.
8. Отверните болты крепления крышки головка цилиндров крест-накрест.
9. Отверните болты крепления головки цилиндров в последовательности с 1 по 10 сначала на пол-оборота, а затем в той же последовательности полностью.

Указания по установке
1. При наличии трещин между седлами клапанов или между седлом и резьбовым отверстием под свечу головка цилиндров может использоваться дальше, если ширина трещин не превышает 0.3 мм или затронуты только первые 4 витка резьбы.
2. В глухих отверстиях под болты крепления головки цилиндров в блоке цилиндров не допускается наличие масла или охлаждающей жидкости. Удалите масло или жидкость тряпкой и отвёрткой.
3. Новую прокладку головки цилиндров вынимайте из упаковки только непосредственно перед установкой.
4. Обращайтесь с уплотнительной прокладкой предельно осторожно. Повреждения прокладки приводят к потере герметичности.
5. Осторожно очистите уплотнительные поверхности головки и блока цилиндров. При этом следите за тем, чтобы на поверхностях не было канавок или царапин большой длины (при применении наждачной бумаги её зернистость не должна превышать 100 ед.).
6. Тщательно удалите остатки наждачной бумаги.
7. Если коленчатый вал в процессе проведения работ был провернут — установите поршень первого цилиндра в положение ВМТ и снова немного поверните коленчатый вал назад, обратитесь к Разделу Снятие и установка зубчатого ремня.
8. Перед установкой на место головки цилиндров установите коленчатый и распределительный валы в положение ВМТ первого цилиндра, обратитесь к Разделу Снятие и установка зубчатого ремня.
9. Для центровки вставьте в переднее наружное отверстие для болтов крепления головки цилиндров направляющую оправку AUDI-3450/2А или HAZET 2571-5.
Предостережение: Перед установкой головки цилиндров проверьте, можно вынуть вверх направляющую оправку. При необходимости, немного прошлифуйте насечку направляющей оправки.
10. Установите новую уплотнительную прокладку так, чтобы надпись на ней (номер запчасти) можно было прочитать.
11. Установите головку цилиндров, вставьте оставшиеся 8 болтов крепления и затяните их от руки.
12. Выверните через отверстия для болта направляющую оправку, вращая её влево.
13. Вставьте оставшиеся 2 болта крепления головки цилиндров и также затяните их от руки.
14. Затяните болты крепления головки цилиндров в последовательности с 1 по 10 приведёнными в Спецификациях усилиями.

15. Дальнейшая установка выполняется в последовательности, обратной снятию.
16. Установите на место зубчатый ремень и отрегулируйте фазы газораспределения.
17. Установите клиновой ремень и устройство натяжения.
18. Замените охлаждающую жидкость.
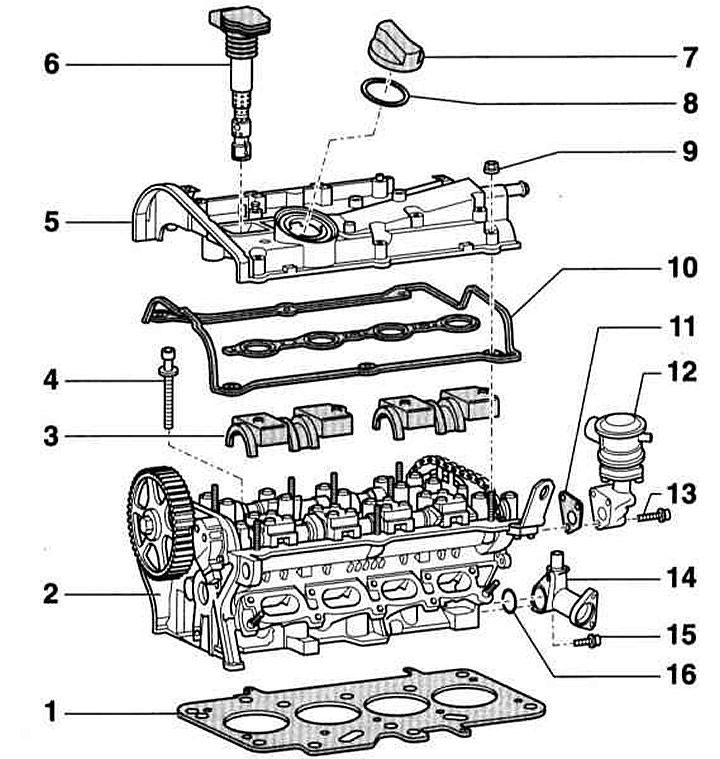
Головка цилиндров. Бензиновый двигатель 1.8 л


- 1 — Уплотнительная прокладка. Соблюдайте правильное установочное положение. Обязательно замените
- 2 — Гайка, 10 Нм
- 3 — Болт, 10 Нм
- 4 — Уплотнительное кольцо инжектора. Обязательно замените
- 5 — Топливная распределительная магистраль с инжекторами
- 6 — Верхняя труба охлаждающей жидкости
- 7 — Болт, 10 Нм
- 8 — Болт, 10 Нм
- 9 — Уплотнительное кольцо верхней трубы охлаждающей жидкости
- 10 — Болт, 10 Нм
- 11 — Впускной трубопровод
- 12 — Болт, 20 Нм
- 13 — Опора впускного трубопровода
Общие указания аналогичны бензиновому двигателю ALZ 1.6 л. На иллюстрациях изображен бензиновый двигатель AVJ/BFB. Конструкция бензинового двигателя 2.0 л аналогична.
Уплотнение мест сопряжения крышки двойного подшипника/головки цилиндров
1. Двигатель 1.8 л: Смажьте места указанные стрелками на верхней уплотнительной поверхности головки цилиндров небольшим количеством герметика, например, AMV 174 004 01.

Уплотнение мест сопряжения механизма регулировки распределительных валов и головки цилиндров
1. Двигатель 1.8 л: Смажьте указанные стрелками места на верхней уплотнительной поверхности головки цилиндров небольшим количеством герметика, например, AMV 174 004 01.

Отсоединение крышки головки цилиндров
1. Выверните гайки (стрелки на сопроводительной иллюстрации) крепления крышки головки цилиндров и снимите крышку.

Затягивание болтов крепления головки цилиндров
1. При затяжке болтов крепления головки цилиндров последовательность — обратная отсоединению, т.е. с 10 по 1.

2. Затяните болты крепления головки цилиндров в последовательности с 1 по 10 указанными в Спецификациях усилиями.


















